销售热线
技术热线:0576-85183757
销售电话:0576-85182037
技术电话:0576-85183757
传真号码:0576-85182843
联系邮箱:haihong@cn-hydraulic.com
公司地址:浙江省临海市江南街道金岭路199号
产品特点(OBV)
制动灵敏,制动微动性能好;
控制方式:脚踏连杆式;
密封形式:采用单向阀和锥阀的密封,泄漏量小;
N口可根据需要接转向系统或回油;
工作形式:采用比例减压阀结构,随着脚踏力的不同,输出不同的压力。
产品特点(HXQ)
密封形式:采用单向阀和活塞密封形式,泄漏量小;
连接方式:与OBV-L25E连接,实现充液功能;
安全装置: 蓄能保压结构设置有安全阀;
结构特点:弹簧式活塞式和充氮活塞式蓄能器;
应用领域
主要用于5~10吨叉车、或同等吨位其它工程机械的制动系统;
液压原理图
技术参数(OBV)(对超出下述参数的应用场合,请与我公司联系)
|
概述 |
|
|
连接方式 |
整体式 |
|
控制方式 |
比例减压 |
|
安装方式 |
见外形图 |
|
油口连接方式 |
螺纹 |
|
通径 mm |
10 |
|
重量 Kg |
1.9 |
|
液压 |
|
|
公称流量 L/min |
25 |
|
公称压力bar |
160 |
|
制动压力 bar |
100 |
|
制动响应时间 s |
0.3 |
|
允许最大回油背压bar |
1 |
|
液压油温度范围℃ |
-20~+100 |
|
粘度范围m2/s |
10~380 |
|
油液允许的污染等级 |
-/19/16 (ISO4406:1999) |
|
机械 |
|
技术参数(HXQ)(对超出下述参数的应用场合,请与我公司联系)
|
概述 |
|
|
结构 |
弹簧活塞式和充氮活塞式 |
|
控制方式 |
压力控制 |
|
安装方式 |
见外形图 |
|
油口连接方式 |
螺纹 |
|
通径 mm |
10 |
|
重量 Kg |
12.1(HXQ-00b)、 13.2(HXQ-00a) |
|
液压 |
|
|
公称压力 bar |
90 |
|
允许最大回油背压 bar |
15 |
|
报警开关电压 V |
12~24 |
|
蓄能器容积 ml |
0.3 |
|
报警压力 bar |
60 |
|
安全阀压力 bar |
125 |
|
液压油温度范围℃ |
-20~+100 |
|
粘度范围m2/s |
10~380 |
|
油液允许的污染等级 |
-/19/16 (ISO4406:1999) |
|
机械 |
|
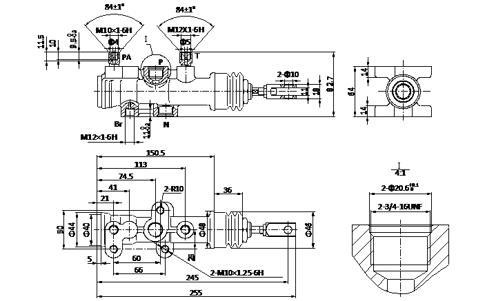
产品外形图(OBV)
产品外形图(HXQ)
相关产品
销售热线:0576-85182037
友情链接: 多路阀系列 先导阀系列 制动阀系列 操纵阀系列 农机阀系列 转向阀系列 Sitemap TXT Sitemap XML 网站地图

微信官网

手机官网