浙江j9国际站官网入口液压科技股份有限公司
j9国际站官网入口液压产品覆盖工程、农业、矿山、工业、环保和军工等各类车辆配套的液压阀、油缸

手机版 微官网 English


销售热线

技术热线:0576-85183757


转向阀系列

所在位置:首页 液压产品 > 转向阀系列 >


关键词:多路阀系列先导阀系列制动阀系列操纵阀系列农机阀系列转向阀系列

>

产品分类 Product Lists

全国服务热线:

0576-85182037

产品样册下载

销售电话:0576-85182037
技术电话:0576-85183757
传真号码:0576-85182843
联系邮箱:haihong@cn-hydraulic.com
公司地址:浙江省临海市江南街道金岭路199号


上一篇:YXH-00优先卸荷阀 下一篇:SXH25卸载阀

产品特点

  • 转向灵活可靠,以低压小流量控制高压大流量;

    采用负载反馈控制原理,使工作压力与负载压力的差值始终保持为定值;

  • 保证转向优先,可与工作系统合流;

    可与SXH25卸载阀配套使用,当工作系统高压时,实现转向系统卸荷功能,节能效果显著。


应用领域

该流量放大阀主要应用于装载机和叉装机等工程机械的转向系统。

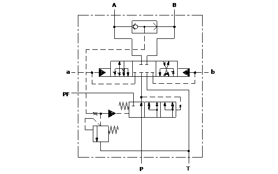
液压原理图

171

技术参数(对超出下述参数的应用场合,请与我公司联系)

概述

结构

整体式

油口连接方式

法兰连接、螺纹连接

安装方式

见外形图

安装螺栓扭矩 N.m

79~102

重量KG

22.4

液压

公称压力 bar

200

公称流量 L/min

160

稳态输出流量 L/min

80~145

安全阀压力调定范围 bar

140~190

液压油温度范围℃

-20~+120

粘度范围m2/s

10~380

油液允许的污染等级

-/19/16 (ISO4406:1999)

产品外形图

172



相关产品



j9国际站官网入口液压

销售热线:0576-85182037


技术热线:0576-85183757   传真号码:0576-85182843
联系邮箱:haihong@cn-hydraulic.com   公司地址:浙江省临海市江南街道金岭路199号

友情链接: 多路阀系列 先导阀系列 制动阀系列 操纵阀系列 农机阀系列 转向阀系列 Sitemap TXT Sitemap XML 网站地图

微信二维码
微信官网

手机端二维码
手机官网